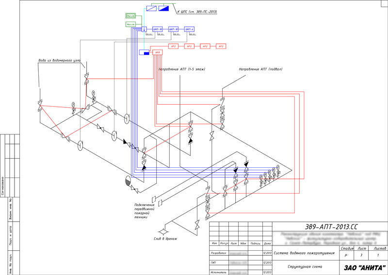
ВОДЯНОЕ ПОЖАРОТУШЕНИЕ

Автоматические установки водяного пожаротушения (АУВП) включают в себя насосные станции с узлами управления и сеть питающих и распределительных трубопроводов. Источником водоснабжения может служить городской водопровод или пожарный резервуар. АУВПТ разделяются на классические водяные и с применением тонкораспыленной воды (ТРВ). Использование установок с применением ТРВ позволяет в значительной степени сократить необходимое количество воды (ориентировочно в 4 раза).

Наша компания выполняет весь комплекс работ по проектированию, монтажу и наладке установок водяного пожаротушения любого типа, включая гидравлический расчет и подбор насосных агрегатов.

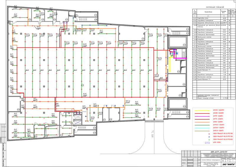
ПРИМЕРЫ РЕАЛИЗОВАННЫХ ПРОЕКТНЫХ РЕШЕНИЙ

РАСЦЕНКИ

Приблизительная стоимость проектных работ для объектов площадью (на IV квартал 2015 года):

- от 1000 кв. м до 4000 кв. м - от 140000 до 178000 руб. (в зависимости от конкретной площади)

- от 4000 кв. м до 8000 кв. м - от 217000 до 256000 руб. (в зависимости от конкретной площади)

Стоимость комплекса работ по монтажу и наладке систем имеет сильную зависимость от конфигурации объекта, а также от типа и сложности системы и может быть определена после предоставления в наш адрес архитектурных чертежей защищаемого объекта.

ЛИЦЕНЗИИ

Copyright © 2015 АО "АНИТА"

WEBSITE DESIGN BY: RAY PROJECTS