ОБОРУДОВАНИЕ

Наша компания выполняет весь комплекс работ по созданию автоматических установок газового пожаротушения. АО "АНИТА" является официальным дилером оборудования газового пожаротушения Научно-производственной организации "Пожарная автоматика сервис" (НПО "ПАС") в соответствии с Дилерским соглашением №2/14 от 09.01.2014 г. Данный производитель выпускает полный комплекс технологического оборудования как для установок модульного типа, так и для централизованных установок газового пожаротушения:

- модули газового пожаротушения

- устройства выпускные с насадками

- рукава высокого давления

- стойки монтажные в комплекте с коллекторами

- устройства распределительные

- насадки газовые

- весовые устройства

- декоративные экраны для модулей

 

Управление данным технологическим оборудованием может осуществляться с помощью приборов приемно-контрольных и управления, имеющих соответствующие сертификаты, в том числе специализированного комплекса пожарной автоматики "Гамма-01". Наряду с обычным исполнением ("Гамма-01" и "Гамма-01 МИНИ"), разработаны различные специальные модификации:

- Гамма-01М (для морских и речных судов)

- Гамма-01EX (для взрывоопасных объектов)

- Гамма-01Ф (для специальных объектов министерства обороны)

КАТАЛОГИ ОБОРУДОВАНИЯ

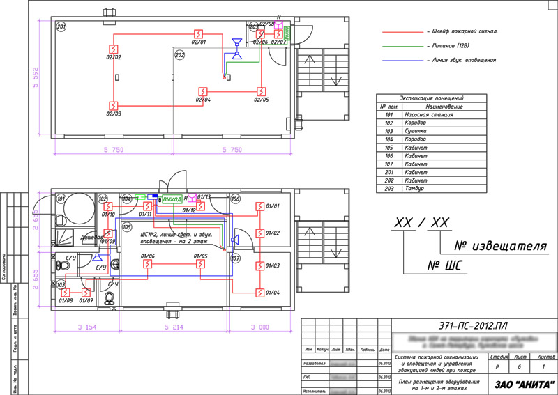
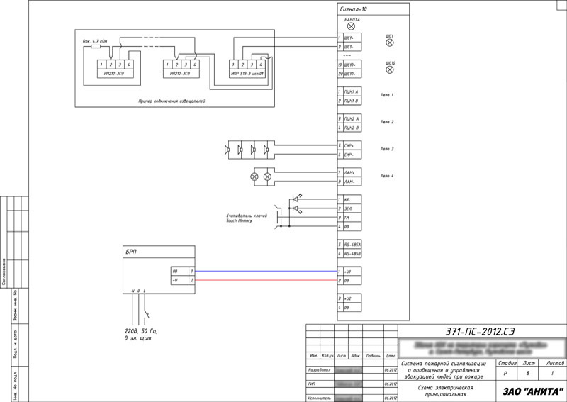
ПРИМЕРЫ РЕАЛИЗОВАННЫХ СИСТЕМ

ЛИЦЕНЗИИ

Copyright © 2015 АО "АНИТА"

WEBSITE DESIGN BY: RAY PROJECTS